• ВАЖНО! Задавая технические вопросы, указывайте VIN в сообщении

Разьем ЭБУ

strelokvs

Пользователь
Сообщения
390
Реакции
67
Авто
МВ 124 200TE 1991 АКПП
Город
Защита информации
День добрый. Собираюсь прозвонить проводку управления двигателем.
У кого нибудь есть схема распиновки колодки ЭБУ (25pin). Очень буду благодарен. В нете нашел только Прозвон-от-ЭБУ-до-ПНД.
Двиг 102.
Заранее спасибо.
 

Вложения

  • Прозвон-от-ЭБУ-до-ПНД.jpg
    Прозвон-от-ЭБУ-до-ПНД.jpg
    78,2 KB · Просмотры: 1.575
Здравствуйте
Доброго времени суток по винкоду этот блок должен подойти ? И почему с блоком 016 545 20 32 заводилась с двумя зубями на звезде
Дачик распредвала стоит как на всех 124 х без провода
Как можно проверить муфту опережения зажигания м104 моторе
Спасибо заранее вы мне очень помогли
 

Вложения

  • 7b5bfc4s-960.jpg
    7b5bfc4s-960.jpg
    16,5 KB · Просмотры: 144
Здравствуйте
Доброго времени суток по винкоду этот блок должен подойти ? И почему с блоком 016 545 20 32 заводилась с двумя зубями на звезде
Дачик распредвала стоит как на всех 124 х без провода
Как можно проверить муфту опережения зажигания м104 моторе
Спасибо заранее вы мне очень помогли
Для того, чтобы дать внятный ответ, мне нужен вин код вашей машины. Номер двигателя ( из любопытства), и информация, менял ли предыдущий владелец двигатель. Как можно больше фотографий подкапотного пространства, точнее узлы и коннекторы электроники.
Жду Вашего ответа, всего наилучшего.
 
Здравствуйте
Доброго времени суток информация моего МБ Вин WDBEA32E1SC199945
И несколько фоток
 

Вложения

  • Screenshot_20181222-073313_Gallery.jpg
    Screenshot_20181222-073313_Gallery.jpg
    74 KB · Просмотры: 165
  • Screenshot_20181222-073525_Gallery.jpg
    Screenshot_20181222-073525_Gallery.jpg
    93,7 KB · Просмотры: 171
  • Screenshot_20181222-073509_Gallery.jpg
    Screenshot_20181222-073509_Gallery.jpg
    90,4 KB · Просмотры: 167
  • Screenshot_20181222-073332_Gallery.jpg
    Screenshot_20181222-073332_Gallery.jpg
    147 KB · Просмотры: 168
  • Screenshot_20181222-073326_Gallery.jpg
    Screenshot_20181222-073326_Gallery.jpg
    133,6 KB · Просмотры: 174
  • Screenshot_20181222-073319_Gallery.jpg
    Screenshot_20181222-073319_Gallery.jpg
    74,2 KB · Просмотры: 166
Здравствуйте
Доброго времени суток
Какие новости омоём авто вы посмотрели информацию вин ?
 
Здравствуйте
Доброго времени суток
Какие новости омоём авто вы посмотрели информацию вин ?
Пока что нахожусь в далеке дома, чтобы сесть за компьютер, и полноценно ответить. По быстрому зайдя в elcats, вбил ваш вин, там для этого двигателя целый ворох ЭБУ, и при этом для разных вариаций. Не буду утверждать, что электронный каталог запчастей истина последней инстанции, но там хотя бы на каждый блок есть приписка для какой конфигурации.
Теперь нужно узнать есть ли у Вас, катализатор, Asr, круиз контроль, и количество передач АКПП.
 

Вложения

  • Screenshot_2018-12-23-11-06-47-190_com.android.browser.png
    Screenshot_2018-12-23-11-06-47-190_com.android.browser.png
    72,3 KB · Просмотры: 175
  • Screenshot_2018-12-23-11-09-47-759_com.android.browser.png
    Screenshot_2018-12-23-11-09-47-759_com.android.browser.png
    136,1 KB · Просмотры: 180
  • Screenshot_2018-12-23-11-13-03-562_com.android.browser.png
    Screenshot_2018-12-23-11-13-03-562_com.android.browser.png
    91,8 KB · Просмотры: 182
  • Screenshot_2018-12-23-11-13-09-003_com.android.browser.png
    Screenshot_2018-12-23-11-13-09-003_com.android.browser.png
    170,4 KB · Просмотры: 170
ASR a нет круиз контроль есть работает каты стоят АКПП 722369 4 ступка
 
ASR a нет круиз контроль есть работает каты стоят АКПП 722369 4 ступка
Вот смотрите, в elcats для этого блока управления вот такие характеристики.
Там сказано, что блок 016 545 057 32 применяется на машинах только без катализатора, если лямбда стоящая после катализатора после завода даёт сигнал, это может спровоцировать выключение двигателя, так как этот сигнал не соответствует двигателю без катализатора. Отключите лямбда-зонд, его штекер находится под обшивкой возле правой ноги водителя, он четырех-контактный. Проверьте, если не поможет, будем искать другие причины. Также надо будет позже проверить правильность подключения катушек.
 

Вложения

  • Screenshot_2018-12-23-13-19-24-996_com.android.browser.png
    Screenshot_2018-12-23-13-19-24-996_com.android.browser.png
    115,5 KB · Просмотры: 154
Вы имеете в виду лямду? Лямда рабочая и подключена.
По катушкам порядок такой 1-6 2-5 3-4 на крышке этот же порядок подключения нарисован
 
Dukesha говолил что только один блок пробивается по вин коду не один блок не подойдёт для моего авто 016 545 57 32
 
Dukesha говолил что только один блок пробивается по вин коду не один блок не подойдёт для моего авто 016 545 57 32
Других блоков под ваш VIN в EPC нет! Обычно бывает несколько, пишут даже те которые менялись, тут их нет, варианта два либо только один, либо другие удалили, и есть на авто ASR или нет не принципиально, кодировка в блоке одинаковая!
1545553542973.png
 
Dukesha здравствуйте я очень рад вас видеть снова на форуме
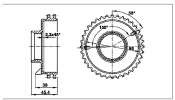
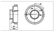
Было так открыл крышку головки и увидел на звезде впускного распреда два флажка от которого считается ВМТ В ИНЕТЕ не нащёл такой инфы про них и отломал второй флажок который стоит после ВМТ и собрал крышку поставил блок 016 545 57 32 ура! Завелась
Скажите пожалуйста што за распредвал такой с двумя флажками?
 
Dukesha здравствуйте я очень рад вас видеть снова на форуме
Было так открыл крышку головки и увидел на звезде впускного распреда два флажка от которого считается ВМТ В ИНЕТЕ не нащёл такой инфы про них и отломал второй флажок который стоит после ВМТ и собрал крышку поставил блок 016 545 57 32 ура! Завелась
Скажите пожалуйста што за распредвал такой с двумя флажками?
Читал, я не знаю. По запчастям могу подсказать, по ремонту нет.
 
Других блоков под ваш VIN в EPC нет! Обычно бывает несколько, пишут даже те которые менялись, тут их нет, варианта два либо только один, либо другие удалили, и есть на авто ASR или нет не принципиально, кодировка в блоке одинаковая!
Посмотреть вложение 125271
Здравствуйте, я предположил причину того, что двигатель глохнет сразу после завода в том, что читал ранее как один мастер на Мерседес актрос не подключил выхлоп в месте гофры, и у нее были те же симптомы. Двигатель сразу после завода глох, была система защиты. Так как в Японии с экологией строго, они вполне могли внедрить такую систему для этого рынка.
Мы лично не делали этот двигатель, и не знаем всю его историю, могу предположить, что в нем могли быть изменения, которые привели к таким последствиям. Я не ставлю Ваши знания под вопрос, наоборот рад возможности встретить мнение, просто даже в учебниках делают ошибки (что говорить о больших базах данных), и в данном случае катализатор мог быть причиной.
 
Здравствуйте, я предположил причину того, что двигатель глохнет сразу после завода в том, что читал ранее как один мастер на Мерседес актрос не подключил выхлоп в месте гофры, и у нее были те же симптомы. Двигатель сразу после завода глох, была система защиты. Так как в Японии с экологией строго, они вполне могли внедрить такую систему для этого рынка.
Мы лично не делали этот двигатель, и не знаем всю его историю, могу предположить, что в нем могли быть изменения, которые привели к таким последствиям. Я не ставлю Ваши знания под вопрос, наоборот рад возможности встретить мнение, просто даже в учебниках делают ошибки (что говорить о больших базах данных), и в данном случае катализатор мог быть причиной.
Вот вы про выхлоп на акторсе написали, и я вспомнил, тесть рассказывал, что у них на работе на грузовике с американским двиглом такая же история была, гофра на выхлоп прогорела и он заглох и не заводился! Да знаний на самом деле не так много, и да в базах периодически ошибки встречаются, но не столь критичные, а что с этим экземпляром за 20 с лишним лет делал не известно.
 
Здравствуйте, причина найдена и решилась путём удаления одного из двух частей на впускном распредвалу на звезде ваноса , мне нужна инфррмация почему два положения на ВМТ для чего предназначен второй флажок? В инете не нашол ни фото ни информацию
 
Здравствуйте, причина найдена и решилась путём удаления одного из двух частей на впускном распредвалу на звезде ваноса , мне нужна инфррмация почему два положения на ВМТ для чего предназначен второй флажок? В инете не нашол ни фото ни информацию
Поскольку машина сделана для США, ответ на свой вопрос вам надо искать на американских форумах!
 
Двигатель наверно ремонтировали, шестерню не ту поставили и мозг другой небось стоял, вот мозг который вам по VIN сказали и не работал как надо!
 

Похожие темы

})

Пользователи онлайн

Статистика форума

Темы
61.346
Сообщения
665.605
Пользователи
219.333
Новый пользователь
Рамиль 111

Мы ВКонтакте

Назад
Сверху Снизу