• ВАЖНО! Задавая технические вопросы, указывайте VIN в сообщении

Греется мотор

Ali685

Пользователь
Сообщения
4
Реакции
0
Если работает основной вентилятор и срабатывают дополнительные электрические вентиляторы,но температура высокая,проверьте наружное загрязнение радиаторов и если все чисто то не парьтесь и меняйте радиатор!он внутри забивается и на врят ли вы ее чем не буть пробьете. Я менял,в новый радиатор вошло чуть больше 3 бутылок воды по 2,5 литра из под минералки. А в старый радиатор когда я заливал (радиатор и тот и этот был в снятом и лежачем состоянии) я залил в одну горловину и пока вода показалась в другом конце прошло минут наверное 5-10. Это означает что у радиатора нету проходимости проще говоря радиатор забит, до снятия пытался промыть разными методами...
 

aka381

Пользователь
Сообщения
1
Реакции
0
Здравствуйте! Помогите советом. Температура охлаждающей жидкости за 115, верхний патрубок и незначительная верхняя часть радиатора горячая, нижняя часть радиатора и нижний патрубок холодные.Помпа рабочая патрубки под давлением,термостат рабочий(без него такая же ситуация). Радиатор поменял на новый. Печка греет норм. Нет циркуляции ОЖ через радиатор походу , в чем причина? W140 S350 двигатель 603.
 

Stepalcha

Пользователь
Сообщения
36
Реакции
1
Авто
w124 260E 88 год.
Доброго всем времени суток. На улице жарко и машина греется шо дурная. Поменял помпу, убрал термостат, проверил вискомуфту (работает), снял и промыл радиаторы, поменял антифриз, дор вентиляторы работают нормально, всё равно, как только включаю климат, стрелка стремится в красную зону. Без климата температура 85-95. Двигатель 3,0 тд, 98 год. Подскажите, в чем может быть проблема?
 

Идрис

Пользователь
Сообщения
179
Реакции
6
Авто
S420 1998 года
Город
юрист
Всем доброго дня и ночи. Вот и меня постигла проблема с перегревом двигателя. Помогите пожалуйста разобраться и извините за подробный рассказ. WDB 1400421А429597.
Ехал я с юга и на очередном подъеме, когда ехал за камазом обратил внимание на стрелку температуры. Она показывала что-то в районе 120, чего никогда не было. Это конечно меня напугало, я остановился дождался когда двигатель остынет, посмотрел бачок, там все нормально с уровнем антифриза. Поехал дальше, температура снова поднялась до 120. В итоге застрял я на трассе, возле небольшого городка, запчастей нет, авторазборок нет, с мастерами тоже проблема. Попутные симптомы - перестал из печки идти теплый воздух. Если стоишь на месте температура держится, как только в горку температура в красную зону, пробку бачка не открыть. Да и с бачком не порядок, сопливил в районе шланга обратки (сосок сломался).
Было очень много дискуссий проезжающих водителей, кто утверждал что надо промыть радиатор, кто говорил что пробита прокладка, проверяли щуп - масло в норме, должного цвета, нюхали и смотрели выхлопную, кто говорил термостат на замену, короче много различных вариантов.
Выбора особого не было, доехал я до ближайшего придорожного сервиса. Термостат проверили в кипящей воде, вроде сжимается. Несмотря на это убрали термостат, заглушили деревянным чопиком малый круг, промыли радиатор снаружи. Промыли радиатор внутри с помощью электролита.
После этих манипуляций, появился теплый воздух из печки, основной радиатор стал нагреваться. И еще. Пока проверяли понял что не работает основной вентилятор (газету не рвет, можно остановить рукой). Вентилятор тоже сделали напрямую, чтобы обороты вентилятора зависели от оборотов двигателя. В общем поехал я дальше, температура не поднималась выше 80, а ночью упала даже до 60. И так я проехал около 1000 км. Думал все нормально доеду до дома, но не тут было. Начался Челябинский перевал, мотор начал греться. Температура опять в красной зоне, я не знаю что делать, жду пока машина остынет (около часа) еду дальше, проезжаю 20-30 км, опять температура 120. И так бесконечно. В общем часов 15 я преодолевал перевал, на спусках терпимо, температура падает, на подъем поднимается, иногда помогало - перевод коробки в ручной режим и включение пониженной скорости. Каждый раз как машина нагреется откручивал пробку бачка, чтобы проверить антифриз. Открутить сразу невозможно было, антифриз выливался. И еще заметил как-то подозрительно надувался верхний патрубок (я даже боялся что он лопнет). В какой-то момент обратил внимание, что мой синий антифриз побелел как вода, какая-то шняга плавает в бачке. В общем я слил антифириз, залил новый и стало еще хуже. Останавливаться для охлаждения двигателя стал чаще.
Кое-как доехал до Ебурга.
Заменил бачок, пробку, убрали деревянный клин из мотора, поставили родной (вроде рабочий) термостат. И бл..ь вообще стало хуже, так как нагреваться мотор стал буквально за 1 км езды (даже по прямой). Ничего не помогало, ни встречный ветер, ни пониженные передачи. Хоть убей - основной радиатор холодный. В общем оставил я машину у родственника и уехал домой.
И вот думаю, загубил ли я двигатель, пробита ли прокладка. Или может все не так страшно.
Помогите пожалуйста - с чего начать проверку.
 

Идрис

Пользователь
Сообщения
179
Реакции
6
Авто
S420 1998 года
Город
юрист
Перегрев двигателя

Всем доброго дня и ночи. Вот и меня постигла проблема с перегревом двигателя. Помогите пожалуйста разобраться и извините за подробный рассказ. WDB 1400421А429597.
Ехал я с юга и на очередном подъеме, когда ехал за камазом обратил внимание на стрелку температуры. Она показывала что-то в районе 120, чего никогда не было. Это конечно меня напугало, я остановился дождался когда двигатель остынет, посмотрел бачок, там все нормально с уровнем антифриза. Поехал дальше, температура снова поднялась до 120. В итоге застрял я на трассе, возле небольшого городка, запчастей нет, авторазборок нет, с мастерами тоже проблема. Попутные симптомы - перестал из печки идти теплый воздух. Если стоишь на месте температура держится, как только в горку температура в красную зону, пробку бачка не открыть. Да и с бачком не порядок, сопливил в районе шланга обратки (сосок сломался).
Было очень много дискуссий проезжающих водителей, кто утверждал что надо промыть радиатор, кто говорил что пробита прокладка, проверяли щуп - масло в норме, должного цвета, нюхали и смотрели выхлопную, кто говорил термостат на замену, короче много различных вариантов.
Выбора особого не было, доехал я до ближайшего придорожного сервиса. Термостат проверили в кипящей воде, вроде сжимается. Несмотря на это убрали термостат, заглушили деревянным чопиком малый круг, промыли радиатор снаружи. Промыли радиатор внутри с помощью электролита.
После этих манипуляций, появился теплый воздух из печки, основной радиатор стал нагреваться. И еще. Пока проверяли понял что не работает основной вентилятор (газету не рвет, можно остановить рукой). Вентилятор тоже сделали напрямую, чтобы обороты вентилятора зависели от оборотов двигателя. В общем поехал я дальше, температура не поднималась выше 80, а ночью упала даже до 60. И так я проехал около 1000 км. Думал все нормально доеду до дома, но не тут было. Начался Челябинский перевал, мотор начал греться. Температура опять в красной зоне, я не знаю что делать, жду пока машина остынет (около часа) еду дальше, проезжаю 20-30 км, опять температура 120. И так бесконечно. В общем часов 15 я преодолевал перевал, на спусках терпимо, температура падает, на подъем поднимается, иногда помогало - перевод коробки в ручной режим и включение пониженной скорости. Каждый раз как машина нагреется откручивал пробку бачка, чтобы проверить антифриз. Открутить сразу невозможно было, антифриз выливался. И еще заметил как-то подозрительно надувался верхний патрубок (я даже боялся что он лопнет). В какой-то момент обратил внимание, что мой синий антифриз побелел как вода, какая-то шняга плавает в бачке. В общем я слил антифириз, залил новый и стало еще хуже. Останавливаться для охлаждения двигателя стал чаще.
Кое-как доехал до Ебурга.
Заменил бачок, пробку, убрали деревянный клин из мотора, поставили родной (вроде рабочий) термостат. И бл..ь вообще стало хуже, так как нагреваться мотор стал буквально за 1 км езды (даже по прямой). Ничего не помогало, ни встречный ветер, ни пониженные передачи. Хоть убей - основной радиатор холодный. В общем оставил я машину у родственника и уехал домой.
И вот думаю, загубил ли я двигатель, пробита ли прокладка. Или может все не так страшно.
Помогите пожалуйста - с чего начать проверку.
 

меренгад

Пользователь
Сообщения
26
Реакции
1
Страна
Россия
Город
Светлогорск
Приветствую участников и сочувствующих. Стал греться в пробках. Полез посмотреть в чем причина. Двигатель 102, тут все про вискомуфту а у меня электромагнитная и тоже муфта. Должна была быть, но её не оказалось. Купил, решил поставить, подсоединить не к чему. Тупо нет проводки. Понятно, что какой-то из предыдущих владельцев не смог найти муфту но зачем удалять проводку? Нашёл схему, там все просто. Один провод масса другой плюс через предохранитель идёт на датчик. Снимаю разъём с датчика и не звонится проводка. Масса молчит и плюс молчит. Вопрос по схеме. Она правильная или есть ещё какая-то схема которую я не нашёл?
 

Doktor

Автосервис "ГАММА" г.Владимир
дисконтная программа
Сообщения
5.230
Реакции
893
Авто
Мерседес Бенц
Город
Владимир
Схему о которой ты говоришь в уме у тебя смотреть или как ? Чего ты там прозваниваешь и при каких условиях , не датчик а термовыключатель , плюс при включенном зажигании , масса любая , управляется плюсом . Проверяется просто , перемычкой на фишке термовыключателя , муфта должна сработать . Проводку можно восстановить или свою сделать .
 
Последнее редактирование:

меренгад

Пользователь
Сообщения
26
Реакции
1
Страна
Россия
Город
Светлогорск
Читай внимательно. Электромагнитной муфты нет. Что покажет перемычка? Какая муфта сработает, если её нет, и проводов которые её питают тоже нет. Или я не по Русски изложил ситуацию?
 

Вложения

  • f9d9019s-1920.jpg
    f9d9019s-1920.jpg
    75,6 КБ · Просмотры: 3

Doktor

Автосервис "ГАММА" г.Владимир
дисконтная программа
Сообщения
5.230
Реакции
893
Авто
Мерседес Бенц
Город
Владимир
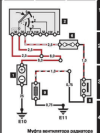
Читай внимательно . Проводку можно восстановить или свою сделать . Муфту установить и крыльчатку новую , если уже заварена , так же диффузор должен стоять . Общая схема такая .
1724915385067.png
1724915414700.png
 

меренгад

Пользователь
Сообщения
26
Реакции
1
Страна
Россия
Город
Светлогорск
Читай внимательно . Проводку можно восстановить или свою сделать . Муфту установить и крыльчатку новую , если уже заварена , так же диффузор должен стоять . Общая схема такая .
Посмотреть вложение 149692
Посмотреть вложение 149693
Я спрашивал, есть ли ещё какая-то схема. То, что вы прислали, отличается от той, что я прикрепил лишь наличием акб, замком зажигания и блоком предохранителей. Значит, другой версии нет. Это то,что меня интересовало.
 

Похожие темы

Пользователи онлайн

Статистика форума

Темы
61.009
Сообщения
662.247
Пользователи
217.568
Новый пользователь
AndreyLipetsk

Мы ВКонтакте

Верх Низ