• ВАЖНО! Задавая технические вопросы, указывайте VIN в сообщении

Пропала ИСКРА

Красногвардеец

Пользователь
Сообщения
97
Реакции
5
Авто
E220 1992г.в. акпп
С203 2000 г.в. АКПП
На катушках (не отсоединял) в момент заводки ничего
 

cosworth

Первый в очереди на модератора
Member Club
Сообщения
3.684
Реакции
1.071
Авто
[__\ΞΞΞ*ΞΞΞ/__]
давай так, теперь раскажи от-до, т.е. машина закрыта/замкнута брелком, ты подходишь к машин жмеш на брелок и ?

з.ы. что ты слышиш что ты видишь и т.п. подробно
 
Последнее редактирование:

Красногвардеец

Пользователь
Сообщения
97
Реакции
5
Авто
E220 1992г.в. акпп
С203 2000 г.в. АКПП
Машина открывается, все как обычно. стартер крутит топливо подается а искры нет.
Но вот что мне кажется может быть дело в реле защиты от перенапряжения???
Оно ОЧЕНЬ горячее (причем оно паянное)????? Да вот еще мотор после переборки и не разу не заводился, сегодня проверил по схемам Вашим (cosworth) все в норме все датчики ок ,плюсы с минусами ок, катушки электрик на работе смотрел сказал ок, все подсоединено качественно.Не одну машину так сказать перебрал , а тут прям навождение какоето((((.Причем пришел к такому выводу что 406 мотор с газели полностью слизан со 111 мерса.Мерял там на катышки приходит в момент заводки слабый импульс а у меня нет, думаю что енто мозги не дают команду.
 
Последнее редактирование:

cosworth

Первый в очереди на модератора
Member Club
Сообщения
3.684
Реакции
1.071
Авто
[__\ΞΞΞ*ΞΞΞ/__]
Машина открывается, все как обычно. стартер крутит топливо подается а искры нет.
Но вот что мне кажется может быть дело в реле защиты от перенапряжения???
Оно ОЧЕНЬ горячее (причем оно паянное)????? Да вот еще мотор после переборки и не разу не заводился, сегодня проверил по схемам Вашим (cosworth) все в норме все датчики ок ,плюсы с минусами ок, катушки электрик на работе смотрел сказал ок, все подсоединено качественно.Не одну машину так сказать перебрал , а тут прям навождение какоето((((.Причем пришел к такому выводу что 406 мотор с газели полностью слизан со 111 мерса.Мерял там на катышки приходит в момент заводки слабый импульс а у меня нет, думаю что енто мозги не дают команду.
дык ну я тебя спрашивал про защиту https://mbclub.ru/forum/showpost.php?p=379849&postcount=15

поверь еще раз (внутри),если че пропаяй
 

Красногвардеец

Пользователь
Сообщения
97
Реакции
5
Авто
E220 1992г.в. акпп
С203 2000 г.в. АКПП
Так предохранитель цел, а внутри дорожка выгорела, но её заменили на проводок, и в том месте греется. Там внутри три релюшки которые слипаються при вклюзажигания, так и должно быть????
 

cosworth

Первый в очереди на модератора
Member Club
Сообщения
3.684
Реакции
1.071
Авто
[__\ΞΞΞ*ΞΞΞ/__]
Машина открывается, все как обычно. стартер крутит топливо подается а искры нет.
.........
я спрашивал тебя про ик-брелок потому что если фокусы с ик-охраной и мозги охраны стучат мозгам что просится дядя левый, стартером вертеть моно а толку

лано, поработай с защитой,думаю релюху вобше моно земинить,хз че там напаяли
 

Красногвардеец

Пользователь
Сообщения
97
Реакции
5
Авто
E220 1992г.в. акпп
С203 2000 г.в. АКПП
Реле поменял ничего((((
Еще вопросик есть ли у кого схема подключения проводов к переключателю заднего хода и паркинга на АКПП
 

cosworth

Первый в очереди на модератора
Member Club
Сообщения
3.684
Реакции
1.071
Авто
[__\ΞΞΞ*ΞΞΞ/__]

Вложения

  • 24 82-17.00 Exterior Lighting, Sedan (Engine 104 with HFM-SFI).pdf
    87,1 КБ · Просмотры: 187

Красногвардеец

Пользователь
Сообщения
97
Реакции
5
Авто
E220 1992г.в. акпп
С203 2000 г.в. АКПП
Никаких результатов до сих пор. Единственное что выяснили, то что от мозгов нет управляющего минуса. может есть какая нибудь схемка мозгов? Все работает как положено кроме реле бензонасоса и искры (ее просто нет).Помогите плиз всю головы сломал.И еще вопрос ест ли у кого электрич. схема по 111-му мотору
Заранее ОЧЕНЬ БЛАГОДАРЕН.
 
Последнее редактирование:

игорь\\\

Пользователь
Сообщения
136
Реакции
26
Авто
Мерседес Е280 w124 1995 г
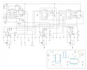
Вот тебе схема керамики в мозгах чаще всего искры нет из-за проблем в этой плате , но я не слышал что бы вылетали все цилиндры одновременно скорее всего дело в чем то другом раз не работает насос и нет искры .
 

Вложения

  • Merc 2,3L_1994y_VDO A130_2x DIDA 2 + LM2901.jpg
    Merc 2,3L_1994y_VDO A130_2x DIDA 2 + LM2901.jpg
    62,6 КБ · Просмотры: 294

игорь\\\

Пользователь
Сообщения
136
Реакции
26
Авто
Мерседес Е280 w124 1995 г
Я думаю что дело в противоугонке или в чем то подобном.
 

RomanoProddi

Пользователь
Сообщения
1
Реакции
0
Здраствуйте! есть такой же Мерс. проблема в том, что сегодня перерыли всю проводку под капотом. очень много закороченого. изоляция посыпалась. вообще не знаю как она работала та машина. но тоже - нет искры на 2-ох катушках сразу. при этом форсунки льют. тоесть получается не датчик коленвала?. то бывает работает, то бывает раза 3-4 надо крунуть - появляется искра и все работает машина. куда копать? мозги накрылись из-за коротышей? тоже 12 в приходит на оба разьема котушек. управляющие провода катушек были закорочены.
 

Похожие темы

Пользователи онлайн

Статистика форума

Темы
60.956
Сообщения
661.799
Пользователи
217.193
Новый пользователь
serj86rus

Мы ВКонтакте

Верх Низ